Аквариум своими руками и другие самоделки
Аквариум своими руками и другие самоделки
СПАСИБО!!!
Аквариум своими руками и другие самоделки
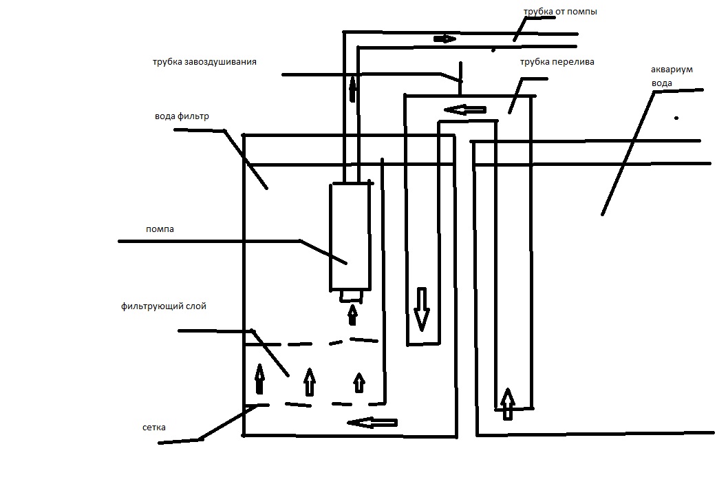
На работе понадобился нормальный фильтр. Львович скептически отнёсся к моей микропомпе
.Покупать внешник дорого,внутренний занимает много места,да и при вытаскивании его образует много грязи. Решил делать внешник. В основном,все делают их из канализационных труб. Но тут основной недостаток - герметизация крышки. Надо делать фланцы,шпильки,резать резьбу и прочее. Также много чего покупать. В результате фильтр соизмерим по цене с покупным.
Обратил свои ясные очи на самп. В море это сложный агрегат,в пресняке это просто отдельная ёмкость с фильтрующим материалом и помпой возврата воды. Причём не нужна ни какая герметизация и связанные с этим заморочки в виде сальников,резьбы,кранов и т.д. В качестве ёмкости можно использовать любой сосуд,желательно равный высоте аквариума.
Мне проще было склеить из обрезков оргстекла,но можно применить даже ведро.
Самое интересное заключается в том,что этот агрегат можно упростить до минимума - опустить в ёмкость имеющийся внутренний фильтр. Теперь он не будет занимать место,не будет грязи при извлечении.
Чем ещё хороша конструкция. В предлагаемый фильтр можно поместить практически всё оборудование! У меня это обогреватель,термометр,распылитель со2 и воздуха.
Вот, как смог, сделал схему. Что непонятно,спрашивайте. Ёмкость склеена из оргстекла. Высота равна высоте аквариума. Внутри поделена Г-образной перегородкой на две неравные части. Вертикальная часть приклеена к боковым стенкам,горизонтальная - сетка. На сетку укладывается фильтрующий материал.
В меньший отдел помещаем трубку перелива воды из аквариума. Трубку сделал из электротехнической трубы и уголков. Уголки были из двух половинок и я их склеил. В горизонтальной части трубы отверстие и вставлен шланг от капельницы с зажимом. Это нужно для удаления воздушного пузыря. В этом же отсеке находится обогреватель,распылитель воздуха. На задней стенке ёмкости фильтра закреплена двойная розетка. Сюда включается нагреватель и по желанию компрессор.
В качестве фильтрующего материала применил остатки всего что накопилось - биошары,синтепон,кольца,лава.
Если был бы фильтрующий мат из губки,то Г -образную перегородку я бы убрал и просто по всей высоте поставил бы губку.
Над фильтрующим материалом закреплена помпа. Горлышко от бутылки для удобства подачи газа. Можно и не делать.
Запуск. Заполняем фильтр водой по уровню воды в аквариуме. Отсасываем воздух из переливной трубы и закрываем зажимом. Включаем в розетку.Всё! Общие замечания.
Переливная трубка должна быть большего диаметра ,чем трубка сброса воды от помпы. Как минимум в два раза.Помпа,желательно,должна быть с регулировкой потока воды.
Производительность фильтра зависит от мощности помпы и площади фильтрующего материала,его плотности.
Недостатки.
Пока только один и тот гипотетический - при засорении фильтрующего материала помпа может выкачать всю воду из ёмкости фильтра. Это мало вероятно.Грязь в фильтре должна скапливаться на дне,перерабатываться бактериями фильтра,на заборник можно одеть предфильтр из губки. В конце концов через прозрачную стенку виден уровень воды.
Обратил свои ясные очи на самп. В море это сложный агрегат,в пресняке это просто отдельная ёмкость с фильтрующим материалом и помпой возврата воды. Причём не нужна ни какая герметизация и связанные с этим заморочки в виде сальников,резьбы,кранов и т.д. В качестве ёмкости можно использовать любой сосуд,желательно равный высоте аквариума.
Мне проще было склеить из обрезков оргстекла,но можно применить даже ведро.
Самое интересное заключается в том,что этот агрегат можно упростить до минимума - опустить в ёмкость имеющийся внутренний фильтр. Теперь он не будет занимать место,не будет грязи при извлечении.
Чем ещё хороша конструкция. В предлагаемый фильтр можно поместить практически всё оборудование! У меня это обогреватель,термометр,распылитель со2 и воздуха.
Вот, как смог, сделал схему. Что непонятно,спрашивайте. Ёмкость склеена из оргстекла. Высота равна высоте аквариума. Внутри поделена Г-образной перегородкой на две неравные части. Вертикальная часть приклеена к боковым стенкам,горизонтальная - сетка. На сетку укладывается фильтрующий материал.
В меньший отдел помещаем трубку перелива воды из аквариума. Трубку сделал из электротехнической трубы и уголков. Уголки были из двух половинок и я их склеил. В горизонтальной части трубы отверстие и вставлен шланг от капельницы с зажимом. Это нужно для удаления воздушного пузыря. В этом же отсеке находится обогреватель,распылитель воздуха. На задней стенке ёмкости фильтра закреплена двойная розетка. Сюда включается нагреватель и по желанию компрессор.
В качестве фильтрующего материала применил остатки всего что накопилось - биошары,синтепон,кольца,лава.
Если был бы фильтрующий мат из губки,то Г -образную перегородку я бы убрал и просто по всей высоте поставил бы губку.
Над фильтрующим материалом закреплена помпа. Горлышко от бутылки для удобства подачи газа. Можно и не делать.
Запуск. Заполняем фильтр водой по уровню воды в аквариуме. Отсасываем воздух из переливной трубы и закрываем зажимом. Включаем в розетку.Всё! Общие замечания.
Переливная трубка должна быть большего диаметра ,чем трубка сброса воды от помпы. Как минимум в два раза.Помпа,желательно,должна быть с регулировкой потока воды.
Производительность фильтра зависит от мощности помпы и площади фильтрующего материала,его плотности.
Недостатки.
Пока только один и тот гипотетический - при засорении фильтрующего материала помпа может выкачать всю воду из ёмкости фильтра. Это мало вероятно.Грязь в фильтре должна скапливаться на дне,перерабатываться бактериями фильтра,на заборник можно одеть предфильтр из губки. В конце концов через прозрачную стенку виден уровень воды.
-
Алексей614
- Expert

- Сообщения: 1044
- Зарегистрирован: 22 июл 2012 08:28
- Откуда: Подольск
Аквариум своими руками и другие самоделки
[quote="дядя Женя"]
Если был бы фильтрующий мат из губки,то Г -образную перегородку я бы убрал и просто по всей высоте поставил бы губку.
Есть губка токого плана, но ана не аквариумная, если пойдет поделюсь безвозмездно
Если был бы фильтрующий мат из губки,то Г -образную перегородку я бы убрал и просто по всей высоте поставил бы губку.
Есть губка токого плана, но ана не аквариумная, если пойдет поделюсь безвозмездно
Аквариум своими руками и другие самоделки
Эта слишком мелкая. Губки нужно искать у кровельщиков. Я брал ленту в "Академии кровли", так это тоже что продают на птичке. По виду как будто сплетена из лески. Взял бы ещё,но их старшой ленится привезти. Надо узнать цену и минимальный размер продажи. Тогда можно на всех купить.
Хотя и эту можно попробовать,но площадь надо увеличить,иначе будет тормозить ток воды и помпа быстрее выкачает воду чем поступит к ней.
На фото видно,что у работающего фильтра уровень воды ниже чем в аквариуме. Есть три причины: мал диаметр переливной трубки,узки пропиленные в ней щели,плотный синтепон между биошарами и лавой.
Это только первая модель. Предстоит делать вторую - там учту мелкие недочёты. В этом варианте уменьшу производительность помпы.
Параллельно пытался сделать лилию путём натягивания лампочки на трубу. Хрен натянешь! Даже по маслу не идёт. Да и сильно натягивать не получится - труба заминается. Сделал нечто похожее на лопаточку- насадку на помпу. Сэкономил 250 р.
Хотя и эту можно попробовать,но площадь надо увеличить,иначе будет тормозить ток воды и помпа быстрее выкачает воду чем поступит к ней.
На фото видно,что у работающего фильтра уровень воды ниже чем в аквариуме. Есть три причины: мал диаметр переливной трубки,узки пропиленные в ней щели,плотный синтепон между биошарами и лавой.
Это только первая модель. Предстоит делать вторую - там учту мелкие недочёты. В этом варианте уменьшу производительность помпы.
Параллельно пытался сделать лилию путём натягивания лампочки на трубу. Хрен натянешь! Даже по маслу не идёт. Да и сильно натягивать не получится - труба заминается. Сделал нечто похожее на лопаточку- насадку на помпу. Сэкономил 250 р.
Аквариум своими руками и другие самоделки
Жень, я может быть скептически отнесся к размеру, но сама конструкция и принцып -всё нормуль!дядя Женя писал(а):На работе понадобился нормальный фильтр. Львович скептически отнёсся к моей микропомпе.Покупать внешник дорого,внутренний занимает много места,да и при вытаскивании его образует много грязи. Решил делать внешник. В основном,все делают их из канализационных труб. Но тут основной недостаток - герметизация крышки. Надо делать фланцы,шпильки,резать резьбу и прочее. Также много чего покупать. В результате фильтр соизмерим по цене с покупным.
Обратил свои ясные очи на самп. В море это сложный агрегат,в пресняке это просто отдельная ёмкость с фильтрующим материалом и помпой возврата воды. Причём не нужна ни какая герметизация и связанные с этим заморочки в виде сальников,резьбы,кранов и т.д. В качестве ёмкости можно использовать любой сосуд,желательно равный высоте аквариума.
Мне проще было склеить из обрезков оргстекла,но можно применить даже ведро.
Самое интересное заключается в том,что этот агрегат можно упростить до минимума - опустить в ёмкость имеющийся внутренний фильтр. Теперь он не будет занимать место,не будет грязи при извлечении.
Чем ещё хороша конструкция. В предлагаемый фильтр можно поместить практически всё оборудование! У меня это обогреватель,термометр,распылитель со2 и воздуха.
Вот, как смог, сделал схему. Что непонятно,спрашивайте. Ёмкость склеена из оргстекла. Высота равна высоте аквариума. Внутри поделена Г-образной перегородкой на две неравные части. Вертикальная часть приклеена к боковым стенкам,горизонтальная - сетка. На сетку укладывается фильтрующий материал.
В меньший отдел помещаем трубку перелива воды из аквариума. Трубку сделал из электротехнической трубы и уголков. Уголки были из двух половинок и я их склеил. В горизонтальной части трубы отверстие и вставлен шланг от капельницы с зажимом. Это нужно для удаления воздушного пузыря. В этом же отсеке находится обогреватель,распылитель воздуха. На задней стенке ёмкости фильтра закреплена двойная розетка. Сюда включается нагреватель и по желанию компрессор.
В качестве фильтрующего материала применил остатки всего что накопилось - биошары,синтепон,кольца,лава.
Если был бы фильтрующий мат из губки,то Г -образную перегородку я бы убрал и просто по всей высоте поставил бы губку.
Над фильтрующим материалом закреплена помпа. Горлышко от бутылки для удобства подачи газа. Можно и не делать.
Запуск. Заполняем фильтр водой по уровню воды в аквариуме. Отсасываем воздух из переливной трубы и закрываем зажимом. Включаем в розетку.Всё! Общие замечания.
Переливная трубка должна быть большего диаметра ,чем трубка сброса воды от помпы. Как минимум в два раза.Помпа,желательно,должна быть с регулировкой потока воды.
Производительность фильтра зависит от мощности помпы и площади фильтрующего материала,его плотности.
Недостатки.
Пока только один и тот гипотетический - при засорении фильтрующего материала помпа может выкачать всю воду из ёмкости фильтра. Это мало вероятно.Грязь в фильтре должна скапливаться на дне,перерабатываться бактериями фильтра,на заборник можно одеть предфильтр из губки. В конце концов через прозрачную стенку виден уровень воды.
Был период сам "самоделками" был увлечен, а сейчас как-то со временем не айс!
Аквариум своими руками и другие самоделки
Конструкция самая нормальная для домашнего изготовления. Не мало перелопатил в сети прежде чем остановился на этой.
Главное - в аквариуме ничего не торчит или висит. Но вот синтепон,керамзит,и может быть мелкая губка, тут непригодны. Надо чем то утяжелять. Тонкий слой синтепона,засыпанный лавой, поднимает биошарами. Надо их выкинуть вообще.
Главное - в аквариуме ничего не торчит или висит. Но вот синтепон,керамзит,и может быть мелкая губка, тут непригодны. Надо чем то утяжелять. Тонкий слой синтепона,засыпанный лавой, поднимает биошарами. Надо их выкинуть вообще.
Аквариум своими руками и другие самоделки
Не совсем такой фильтр, но похожий скоро собираюсь сваять для бассейна. Песочный фильтр называеся там. Вместо губки геотекстиль строительный можно попробовать.. А для фильтров бассейнов песок нейлоновыми чулками держат чтобы не размывался.. 
Аквариум своими руками и другие самоделки
Игорь,песчанный фильтр в такой конструкции не прокатит. Там нужна мощнейшая помпа. Вообще их два типа: под давлением и,как правильно то сказать - когда песок кипит в струе воды. Если под давлением,то производительность довольно хилая - песок не пористый и бактерам нет места. Если кипящий,то нужен перед ним механический фильтр. Да и песок уже давно заменили на синтепоновые и губочные шарики.
Для бассейна щас ставят биоплато. Это большой фитофильтр. Хотя бассейн это отдельная тема - габариты несколько иные.
Для бассейна щас ставят биоплато. Это большой фитофильтр. Хотя бассейн это отдельная тема - габариты несколько иные.
Аквариум своими руками и другие самоделки
Раз пошла такая пьянка,выложу фото наиболее интересных конструкций. Ну а дальше пляшите сами.
Простенький фирменный фитофильтр. С биошарами Орошаемый ветдрайв
Простенький фирменный фитофильтр. С биошарами Орошаемый ветдрайв
Аквариум своими руками и другие самоделки
Продолжаю разговор 
Прикольный фильтрационный материал из ёршиков. Самп для травника. Основа основ самоделок Внешник совместно с кипящим биофильтром Вариант гамбургского фильтра
Прикольный фильтрационный материал из ёршиков. Самп для травника. Основа основ самоделок Внешник совместно с кипящим биофильтром Вариант гамбургского фильтра
Аквариум своими руками и другие самоделки
Не-не, я недавно как раз про бассейны изучал что и как, все наоборот к песку возвращаются, самая простая и эффективная система считается, а от других наполнителей уходят. До биоплато пока недорос, объемы не те.. Вот в дальнейшем, как ребенок подрастет, в планах прудик замутить, вот там буду эксперементировать, правда я не плато хочу, а просто растительные зоны регенерации устроить.. Но это пока только планы..дядя Женя писал(а):Да и песок уже давно заменили на синтепоновые и губочные шарики.
Для бассейна щас ставят биоплато. Это большой фитофильтр. Хотя бассейн это отдельная тема - габариты несколько иные.
П.С. А по сути бассейн то как раз к большому аквариуму приравнять можно. Некоторые аквариумы больше маленьких бассейнов получаются.. Запущу чернополосых своих расплодившихся в бассейн и буду в большом аквариуе с рыбами плавать как в красном море!
П.П.С. Теперь правда другой вопрос мучает где-бы поблизости пергидроль найти канистрочку...
Аквариум своими руками и другие самоделки
Нука напомни,что такое пергидроль,слово знакомое. Поглотитель влажности? Да нет,это селикагель. Что то очень знакомое.
Песок повсеместно применяют из за дешевизны и простоты промывки. Дома вместо него можно гравий использовать,только площади и объёмы больше.
А вообще,люди не заморачиваются фильтрами,а льют сайдекс с активатором. Так проще.
Песок повсеместно применяют из за дешевизны и простоты промывки. Дома вместо него можно гравий использовать,только площади и объёмы больше.
А вообще,люди не заморачиваются фильтрами,а льют сайдекс с активатором. Так проще.
Аквариум своими руками и другие самоделки
Пергидроль-концентрированный раствор пероксида водорода. По сути обычная перекись только концентрированная и стабилизированная. Обычно 30% идет, но проблема в том что достать можно как правило в химических магазинах и если сайдекса канистру я спокойно с Москвы притащил, то пергидроль канистры по 30 литров, на себе не утащишь..
Просто наиболее безопасная вода получается, без хлорки. А сайдекс можно конечно попробовать, но насчет его безвредности не уверен, поэтому не хочется...
Просто наиболее безопасная вода получается, без хлорки. А сайдекс можно конечно попробовать, но насчет его безвредности не уверен, поэтому не хочется...
Аквариум своими руками и другие самоделки
Пергидроль,как выяснилось,всего лиш гидропирит аптечный. Фигня это - одно лечит - два калечит. Сайдекс сейчас есть в таблетках специально для плавательных бассейнов. Мне одна богатенькая хозяйка рассказала,что уже лет 10 применяет.
Но для себя,родимого,лутше хороший фильтр и озонатор.
Кстати,древние аквариумисты озонаторы делали из ламп ДРЛ. Бьёшь колбу,потроха запихиваешь в стеклянную банку,закатываешь крышкой,вклеиваешь два патрубка и продуваешь компрессором.
Но для себя,родимого,лутше хороший фильтр и озонатор.
Кстати,древние аквариумисты озонаторы делали из ламп ДРЛ. Бьёшь колбу,потроха запихиваешь в стеклянную банку,закатываешь крышкой,вклеиваешь два патрубка и продуваешь компрессором.
Аквариум своими руками и другие самоделки
Нас лето встречает повышенной температурой в который раз. Самый простой способ охлаждения уже сто раз описывался - кулер. Проблема в его крепеже. Вот братья китайцы додумались до примитивно простой и эстетичной приблуды.
Это в оригинале сделано из проволочной вешалки-плечиков. Но если на любую проволоку натянуть шланг от капельницы,будет не менее эстетично и безопасно от коррозии. Можно и медную проволоку в изоляции от электропроводки.
Аквариум своими руками и другие самоделки
Пергидроль сейчас самый безопасный метод. На форумах по бассейнам все ищут пергидроль. Он не для лечения идет, а для того чтобы вода дольше не цвела. Некоторые фирмы для бассейнов свои препараты сейчас продают за бешеные деньги, активный кислород обзывают, а состав - пергидроль. Сайдекс есть, но не хочу использовать как и хлор, так как бассейн больше для ребенка будет, поэтому химичить не хочу.. Про озонатор уже думал, мне и городить его не нужно особо - есть аппарат "Солнышко" кварцующий, по сути можно для озонации приспособить.. Но хочеться пергидроль все-таки найти..дядя Женя писал(а):Пергидроль,как выяснилось,всего лиш гидропирит аптечный. Фигня это - одно лечит - два калечит. Сайдекс сейчас есть в таблетках специально для плавательных бассейнов. Мне одна богатенькая хозяйка рассказала,что уже лет 10 применяет.
Но для себя,родимого,лутше хороший фильтр и озонатор.
Кстати,древние аквариумисты озонаторы делали из ламп ДРЛ. Бьёшь колбу,потроха запихиваешь в стеклянную банку,закатываешь крышкой,вклеиваешь два патрубка и продуваешь компрессором.
-
Алексей614
- Expert

- Сообщения: 1044
- Зарегистрирован: 22 июл 2012 08:28
- Откуда: Подольск
Аквариум своими руками и другие самоделки
Добрый день.
Кто знает где можно купить жесткий одножильный провод 0,75-1 сечения
, Леруа и Хамелеон не катят, Каширский Двор тоже нет там токого добра. 
Кто знает где можно купить жесткий одножильный провод 0,75-1 сечения
Аквариум своими руками и другие самоделки
Нет такого сечения в продаже. Наименьший 1,5 квадрата. Но если померять его диаметр,то как раз то что тебе надо. Экономят сволочи. Тебе на светильник?
В принципе,можно заглянуть в магазинчик фирмы ВАС - это напротив Ашана за остановкой двухэтажка.
В принципе,можно заглянуть в магазинчик фирмы ВАС - это напротив Ашана за остановкой двухэтажка.
- Нуритка
- Advanced Member

- Сообщения: 589
- Зарегистрирован: 28 авг 2006 10:54
- Откуда: из Города рабочего класса
Аквариум своими руками и другие самоделки
Подумываю о перегородке для отсадника, наверно, из москитной сетки - что-то вроде - http://our-aquarium.ru/forum/index.php?topic=33840.0
требуется, чтобы малек не сбежал, и циркуляция воды была
бывает ли она с ооочень мелкими ячейками; может кто видел, где у нас можно найти?
Еще, ничего, если найду из металлической сетки? нужна временно; по другую сторону планируемой перегородки креветки.
бывает ли она с ооочень мелкими ячейками; может кто видел, где у нас можно найти?
Еще, ничего, если найду из металлической сетки? нужна временно; по другую сторону планируемой перегородки креветки.
В Москвариуме дельфины из "кровавой бухты" Тайцзи.
См. документальные фильмы об отлове и дальнейшей судьбе китообразных - дельфинов, косаток, белух - "Бухта", "Черный плавник", "Рожденные свободными".
http://savedolphins.net , https://dolphinproject.net/
Не покупайте билеты на шоу с дельфинами, не оплачивайте жестокость.
См. документальные фильмы об отлове и дальнейшей судьбе китообразных - дельфинов, косаток, белух - "Бухта", "Черный плавник", "Рожденные свободными".
http://savedolphins.net , https://dolphinproject.net/
Не покупайте билеты на шоу с дельфинами, не оплачивайте жестокость.
Аквариум своими руками и другие самоделки
Ну так москитная сетка самая мелкая.А металл в воде не очень хорошо.Только нержавейка. И смотря чьи мальки. Если что то из мелких икромечущих,то это не выход. Сначала у них личинка размером с инфузорию,потом малёк 1 мм и меньше. Нужен отдельный отсадник. Тем более,что малька кормить нужно по 10 раз на день,воду менять раз в день. Конечно,если хочешь действительно иметь здоровый приплод.
Разведение рыбы тем и хлопотно,что одной банкой не обойдёшься. Тут и нерестовик,и несколько выростников,и инкубаторы,и инфузорию с артемией растить. А вдруг первый корм коловратка? Или того хуже - цветущая вода? Вобщем получается ферма.
Разведение рыбы тем и хлопотно,что одной банкой не обойдёшься. Тут и нерестовик,и несколько выростников,и инкубаторы,и инфузорию с артемией растить. А вдруг первый корм коловратка? Или того хуже - цветущая вода? Вобщем получается ферма.
- Нуритка
- Advanced Member

- Сообщения: 589
- Зарегистрирован: 28 авг 2006 10:54
- Откуда: из Города рабочего класса
Аквариум своими руками и другие самоделки
Они и есть, барбосы Шуберта, выжили среди своих троглодитов-родителей - те мечут почти каждый день.. и едят.., часто их не кормлю совсем - и так видно, что хорошо поелидядя Женя писал(а):И смотря чьи мальки. Если что то из мелких икромечущих
три дня рыбачу, наловила из общего "уже" 5 шт., хочу поднять
Нашла сегодня этот набор для изготовления оконных москитных сеток, попробую нагородить; сетку, может, в 2 слоя пущу) - пригодится.
В Москвариуме дельфины из "кровавой бухты" Тайцзи.
См. документальные фильмы об отлове и дальнейшей судьбе китообразных - дельфинов, косаток, белух - "Бухта", "Черный плавник", "Рожденные свободными".
http://savedolphins.net , https://dolphinproject.net/
Не покупайте билеты на шоу с дельфинами, не оплачивайте жестокость.
См. документальные фильмы об отлове и дальнейшей судьбе китообразных - дельфинов, косаток, белух - "Бухта", "Черный плавник", "Рожденные свободными".
http://savedolphins.net , https://dolphinproject.net/
Не покупайте билеты на шоу с дельфинами, не оплачивайте жестокость.
Аквариум своими руками и другие самоделки
дядя Женя
Прикольное сооружение. Взял на вооружение
и модифицировал под луковицу, продлив держалку, как под кашпо - никаких горшочков городить не надо... 
Прикольное сооружение. Взял на вооружение
Воблер
Аквариум своими руками и другие самоделки
Фито фильтр что ли? Лук в нём ядрёный выростет! Только для лутших друзей!
Аквариум своими руками и другие самоделки
Да нет. Держалку для кулера модифицировал под держалку для лука по типу кашподядя Женя писал(а):Фито фильтр что ли? Лук в нём ядрёный выростет! Только для лутших друзей!
Воблер
Аквариум своими руками и другие самоделки
Вот и получился фитофильтр!
Аквариум своими руками и другие самоделки
Медь выкинь и побыстрей! В крайнем случае одень на проволоку шланг от капельницы.
Аквариум своими руками и другие самоделки
так это я не в общем, а в отсаднике-лечебнице. думаю, наоборот пойдёт на пользу. гуппии мои лучшие приболели... 
Воблер
Аквариум своими руками и другие самоделки
Казалось бы, что необычного может быть в аквариуме? Все варианты декора давно известны. Как оказалось, это мнение ошибочно. И, используя кирпичики популярного конструктора Lego, можно превратить свой аквариум в поле легендарной игры Super Mario Bros.
http://vova-91.livejournal.com/3331319.html
http://vova-91.livejournal.com/3331319.html
- zloi-alex
- Member

- Сообщения: 199
- Зарегистрирован: 10 янв 2014 14:11
- Откуда: Свердлова+Готвальда
- Контактная информация:
Аквариум своими руками и другие самоделки
дядя Женя
а почему не сделать такой фильтр внешник но только подавать воду в него помпой, а из фильтра воду сливать самотеков, лет 15 назад были такие фильтра. Только вода подавалась не помпой а через трубку в которую подавался воздух и фильтр должен быть чуть выше аквариума
а почему не сделать такой фильтр внешник но только подавать воду в него помпой, а из фильтра воду сливать самотеков, лет 15 назад были такие фильтра. Только вода подавалась не помпой а через трубку в которую подавался воздух и фильтр должен быть чуть выше аквариума
fitofiltr.ru - фитофильтр для вашего аквариума
Аквариум своими руками и другие самоделки
При моей компоновке можно убрать помпу из аквариума. Кстати, щас делаю домой по той же технологии.Не могу приспособить миникани - ну ни как не выходит без системы водопровода.
Аквариум своими руками и другие самоделки
доброго времени суток уважаемые.стесняюсь спросить а ктонибудь может прислать подетальный чертеж на изготовление крышки?будет делаться на умном станке.проба пера так сказать.после изготовления отдам кому понравится.p.s.электрика и фурнитура в комплект не входят просьба указать все технологические отверстия и посадочные места.изготовление отражателей из зеркальной нержавейки тоже возможно но через месяц полтора.ждем плазмораскроечный.
Аквариум своими руками и другие самоделки
А давай ка я достану чертежи дозатора удобрений. Правда в оригинале он из пластика. Дозатор куда как интересней,да и заработать можно. Возьмёшся?
Крышка - пережиток прошлого,да и тяжеловато из нержавейки. Отражатели тоже выйдут неахти - это обсуждалось.
Ещё можно ваять канистры для внешников,но это чисто гипотетически.
Крышка - пережиток прошлого,да и тяжеловато из нержавейки. Отражатели тоже выйдут неахти - это обсуждалось.
Ещё можно ваять канистры для внешников,но это чисто гипотетически.
Аквариум своими руками и другие самоделки
я фигею. пришел человек, задал конкретный вопрос: есть ли чертеж крышки.
так ему ответили: фу, твоя идея древняя, как гно мамонта, лучше делай дозатор.
а мож ему нах не упал этот дозатор, мож у него вообще растений в банке не будет.
сантяй, не вздумайте еще сказать, что вы туда люмлампы ставить будете, здесь все фанаты диодов, в пыль вас разотрут как пережиток прошлого.
лучше пояндексите "изготовление крышки для аквариума", я навскидку нашла несколько приятных вариантов.
только все "посадочные места" будут строго зависеть от размеров вашей банки и ламп, которые вы намерены ставить. поэтому чей-то конкретный чертеж вам вряд ли поможет, только если идеи даст, всё равно придется перечерчивать под себя.
из технологических отверстий крайне желателен люк для кормления рыб сверху + небольшие отверстия для вентиляции с боков + большие отверстия для проводов оборудования сзади, как в промышленных моделях.
главное не размещать негерметичные электроузлы под крышкой, чревато.
так ему ответили: фу, твоя идея древняя, как гно мамонта, лучше делай дозатор.
а мож ему нах не упал этот дозатор, мож у него вообще растений в банке не будет.
сантяй, не вздумайте еще сказать, что вы туда люмлампы ставить будете, здесь все фанаты диодов, в пыль вас разотрут как пережиток прошлого.
лучше пояндексите "изготовление крышки для аквариума", я навскидку нашла несколько приятных вариантов.
только все "посадочные места" будут строго зависеть от размеров вашей банки и ламп, которые вы намерены ставить. поэтому чей-то конкретный чертеж вам вряд ли поможет, только если идеи даст, всё равно придется перечерчивать под себя.
из технологических отверстий крайне желателен люк для кормления рыб сверху + небольшие отверстия для вентиляции с боков + большие отверстия для проводов оборудования сзади, как в промышленных моделях.
главное не размещать негерметичные электроузлы под крышкой, чревато.
С уважением, Марья


